数控铣床的总体设计研究与分析
2018-8-1 来源: 中捷机床有限公司 作者:黄秋实 王 丹
摘 要:数控铣床的设计是通过主传动系统的设计,在主传动系统中对齿轮的选取,各级转速的确定,最后传动系统图,通过对传动系统确定之后,再根据这个选取相应的零件,再将数控铣床的整体结构绘制出来,将里边每个零件拆分之后,再对数控铣床的控制系统进行设计,在将整个系统连接起来,对整个系统进行检验,设备试运行,最后达到设计要求。
关键词:主传动系统;主要零件;总体结构
1 、主传动系统
在对数控铣床主传动系统设计上,首先要确定几个参数,通过这几个数据进行总体的设计,确定数控铣床的生产能力需要大批大量的,设计的公比 Ф=1.25。传动方案的选择,对数控铣床的传动方案通过以下几个方向进行选择:
(1)保持前密后疏的原则,就是在整个传动副分配上,要将第一传动组的转动副最多,后边的依次递减,最后一个为 1 个传动副。
(2)第二个原则为由大到小,将整体转动系统中的传动范围做递减顺序,范围保持由大到小的传动范围。

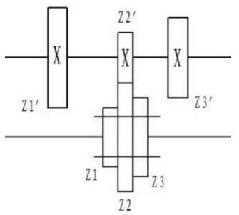
通过上述的数据,最终确定数控铣床的转速为 12 级,而主传动系统图如图 1。
图 1 数控铣床主传动系统图
在对主传动系统设计完成之后要对齿轮进行校验,一个是对齿轮本身是否能承受传动扭矩,另一个需要对齿轮是否能在机构中碰齿进行校验,保证各轴上齿轮副之间不能有碰撞现象,如果设计上有碰撞现象,可以将齿轮设计成三联滑移齿轮,如图 2。

图 2 三联滑移齿轮示意图
2 、主要零件
在确定数控铣床的转动系统之后,要对数控铣床相应的主要零件进行选择,首先是对主轴及主轴上零件的选择,选取主轴的材料为 45# 钢,要保证主轴在数控铣床上的精度和使用寿命,对主轴进行调质处理,对主轴也需要进行校验,校验公式如下:

式中:P-电动机功率;n-转速;d-轴径
主轴上的轴承选取圆柱滚子轴承,这种轴承可以承受径向的载荷,保证主轴齿轮传递时候对轴承产生的负载荷,保证了主轴的选择和齿轮之间的传递,主轴组件的密封采用迷宫式密封方法。
数控铣床操纵机构的设计,在数控铣床上要对主传动系统变速进行操纵,以便在数控铣床外进行调速,利用拨叉实现调速,通过拨叉调整三联滑移齿轮实现数控铣床的变速。
3 、总体结构
数控铣床的结构中必须要包含数控装置,数控装置的功能是接收控制指令,将指令进行识别译码,输送到计算机处理,通过信号控制伺服系统,最后对数控铣床进行控制。
进给机构的设计,在数控铣床进行铣削加工时候,要保证铣床的进给运动平稳,进给量要精度高,只有保证它的精度,才能保证铣削后表面的粗糙度,进给系统选取步进电机作为动力装置,传动元件选取滚珠丝杠进行传递。
数控铣床的控制系统是由单片机为核心,在它的基础上进行完善,把储存能力进行扩大,通过程序储存器和数据储存器,完成指令的储存和译码后数据之间的转换,再通过
I/O 接口,完成对数控铣床整体的监控。

图 3 数控铣床整体机构图
4 、结束语
对于一些工作量小、结构简单、制图数量少的机床设计,是不能突出设计中存在的问题,只有通过对这种大型数控设备的设计才能体现出机械设计的技术问题,通过对设备的查找资料、调研市场上对设备的要求,在通过设计研讨会对方案进行分析,论证方案,最后通过整体设计,将数控设备设计成形,是对整个设计方法和设计思想的洗礼和升华。
投稿箱:
如果您有机床行业、企业相关新闻稿件发表,或进行资讯合作,欢迎联系本网编辑部, 邮箱:skjcsc@vip.sina.com
如果您有机床行业、企业相关新闻稿件发表,或进行资讯合作,欢迎联系本网编辑部, 邮箱:skjcsc@vip.sina.com
更多相关信息




