数控铣床刀库改装装置
		2023-10-17  来源: 浙江交通技师学院   作者:傅 凯
		     摘要:随着我们对加工工艺的深入了解,加工中心起到重要的作用。设备改造、产品创新设计、生产工艺改进等都是需要突破的难点。数控铣床的自动化换刀就是众多项目中的一个。我们通过分析企业需求,制定设备改造方案,完成自动换刀装置支架的设计和制造、刀库系统的设计、刀库的安装及位置调整、系统调试及运行等任务,最终完成对数控铣床的自动化改造,将机械手自动换刀代替以前的人工手动换刀,使生产提高了效率,降低了成本。作为技师研修的内容,我们通过参与项目,学习巩固了专业知识,并运用到实际当中。
     关键词:数控铣床;自动换刀装置;改造
     1、刀库类型的确定
    自动换刀装置有斗笠式刀库,圆盘式刀库,链式刀库等类型。这部分内容是《机床与数控机床》的专业知识,查阅资料,根据需求进行分析,确定刀库的使用参数,选用合适的刀库。当前设备数控铣床,所加工产品的刀具在 20 把以内,通过分析每种刀库的特点和企业需求,确定了自动换刀装置选用圆盘式刀库,刀具容量24 把以及刀库的参数指标。
     2、支架的设计
     支架和是连接刀库机床的连接件,支架的设计使用到《机械CAD/CAM》以及《机械基础》专业知识,通过测量机床和刀库尺寸以及刀库的重量,对支架进行结构设计,运用 CAD 软件实体进行造型仿真,优化支架结构,完成支架的图纸设计。

图 1 刀库安装位置仿真图
     支架的机加工部分由我们加工完成,包括平面铣削、槽铣削、键的加工。这部分专业知识在《机加工实训》《数控加工实训》中学习到。

图 2 支架设计图
     3、刀库安装
     利用龙门架将支架吊装至主轴立柱的预留安装位置;将立柱与支架的安装面清理干净,保证配合面安装准确;将支架的定位键插入立柱键槽;移动支架使其与立柱通过定位键准确定位;用紧固螺栓将支架固定在立柱上;在立柱上安装用于调整支架位置的螺栓部件。
     利用龙门架将自动换刀装置吊装至机床附近,并拆除自动换刀装置的支承附件;将自动换刀装置吊装至支架位置,调整自动换刀装置并用螺栓将其固定在支架上。连接信号线、动力线、接通气路。
     4、系统的设计
     系统的设计是一项综合性很强的任务,在这个任务运用《电工与电子技术》《机床电控与 PLC》的专业知识。
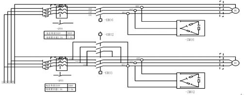
    (1)电气系统设计。自动换刀装置分度电机和刀臂电机的控制的强电部分设计。M2、M6 分别为自动换刀装置分度电机和刀臂电机。KM02 和 KM03 分别为自动换刀装置正、反转控制接触器,正反电机之间互锁。KM06 为刀臂电机接触器,由于刀臂电机只做一个方向的运转,刀臂顺逆旋转靠内部机械结构转换,故换刀动作只有一个接触器。QF03、QF06 为空气断路器,当过载时切断电路,保证安全运行。ZM02、ZM06 为吸收电路,用于改进电动机在开通和关断时所承受的电压和电流波形。
 图 3 电气原理图
   (2)接触器电路的设计。该部分主要是实现 PMC 的输出信号的变化接通或断开的控制,KA02、KA03、KA06 分别控制 KM02、KM03、KM06 线圈得电的物理中间继电器。
   (3) 倒刀回刀动作的控制。分别由物理继电器 KA04、KA05控制 YV2、YV3 电磁阀。
     5、机床调试
     在与这部分任务用到了《数控机床维修》《数控原理与应用》的专业知识。在调试之前,设置系统参数,将 K 参数中 K3.3=1K5.5=1,实现单步换刀(M80-M86)。
    (1)自动换刀装置位置调整。这部分内容自动换刀装置与主轴相对位置的确定十分重要,关系到换刀能否顺利完成。顺序执行 M80(刀套垂直)、M81(刀臂持刀)、M82(刀位松)、M83(换刀)、M84(刀位紧)、M85(刀臂原点)、M86(刀套水平)指令,使换刀臂处于换刀位置(M83),将一刀柄锥面均匀涂抹红丹油放置在刀臂上,用于调整自动换刀装置位置,这时调整支架上 X 向、Y 向微调螺钉用来调整自动换刀装置位置,同时在手轮模式下,Z 轴上下移动主轴,使主轴锥孔与刀柄锥面轻轻接触,观察主轴锥孔上红丹油的分布情况,直至红丹油均匀分布在主轴锥孔面上。锁紧支架螺钉,这样自动换刀装置的位置调整完毕。

图 4 接触器设计图

图 5 气动电磁阀电路图
    (2)机床第二参考点设置(换刀点)。在调试之前,机床回机械原点,执行回零操作,一般机械原点高于换刀点。设置系统参数,将 K 参数中 K3.3=1 K5.5=1。输入 #1326 号系统参数 Z 50,#1851号参数 APC 置 1,重新开关机,#1851 号参数 APZ 置 1,再次重新开机,此时调整前的参数设置完毕。在手轮模式下移动 Z 轴,使主轴锥孔与刀柄轻微接触,Z 轴上移 0.3mm,将这一位置作为 Z 轴第二参考点即换刀点。将换刀点与机床原点 Z 向差值输入到#1241 号参数 Z 值,机床第二参考点即换刀点设置完毕。
    (3)主轴定位的设置。数控机床为了完成 ATC 的动作过程,必须设置主轴准停机构。由于刀具装在主轴上,切削时切削转矩不可能仅靠锥孔的摩擦力来传递,因此在主轴前端设置一个突键,当刀具装入主轴时,刀柄上的键槽必须与突键对准,才能顺利换刀:为此,主轴必须准确停在某固定的角度上。由此可知主轴准停是实现 ATC 过程的重要环节。主轴准停的设定通过 #4031 号参数设置,保证主轴凸键与刀柄键槽对准。
    (4)换刀操作验证。顺序执行 M80-M86 指令,单步完成换刀动作,检查换刀动作是否正确顺利。
    (5)刷新自动换刀装置。通过 PMC 将刀座号与刀具号设为一致,即主轴为零号刀,一号刀位对应一号刀、二号刀位对应二号刀。
    (6)参数复位。调试结束之后,要将参数复位,需要复位的参数有 #1320,#1326,K3.3,K5.5。
     6、结束语
     在这个项目中通过阅资料,根据企业需求进行分析,确定刀库的参数,选用了合适的刀库;通过测量机床和刀库尺寸以及刀库的重量,对支架进行结构设计,运用 CAD 软件实体进行造型仿真,优化支架结构,完成支架的图纸设计;参与了刀库系统的部分设计任务;完成了刀库位置的调整任务;能根据要求对机床参数进行设置。
    在这个项目的实施过程中应用到了《机床与数控机床》、《机械 CAD/CAM》、《机械基础》、《机加工实训》、《数控加工实训》、《电工与电子技术》、《机床电控与 PLC》、《数控机床维修》、《数控原理与应用》等专业知识,一边学习一边应用,对知识点有了更深刻的
认识,在对刀库改装中起到了良好的效果。
    数控铣床自动换刀装置改造项目的完成,同时也促进了企业之间的技术发展,推动了科研的步伐,为数控专业更好的学习理解专业知识提供了条件。提高了生产效率,节约了人力资源;改造后的机床能够承担工艺复杂、工序繁多和批量生产等零件的加工任务。通过测试,熟练操作工手动换刀一次平均时间为 19 秒,而自动换刀一次时间为 6 秒。对于多工序、多刀具的的产品生产可以大大提高生产效率,减少生产成本。
    投稿箱:
如果您有机床行业、企业相关新闻稿件发表,或进行资讯合作,欢迎联系本网编辑部, 邮箱:skjcsc@vip.sina.com
		
		
		
		
	
	如果您有机床行业、企业相关新闻稿件发表,或进行资讯合作,欢迎联系本网编辑部, 邮箱:skjcsc@vip.sina.com





