摘要: 在阐述T68 型卧式镗床电气系统要求的基础上,将T68 型卧式镗床的电气控制系统所使用的德国SiemensS7 - 200 型可编程控制器重新设计,通过用Simulater 对程序进行仿真,该设计可以达到T68 型卧式镗床的电气系统要求。
关键词: S7 - 200PLC; T68 型卧式镗床; 电气控制系统改造
0 引言
T68 型卧式镗床利用传统继电器控制方式所设计的电路比较复杂,具有体积大、维修量大的缺点。近年来,由于各可编程控制器生产厂家的激烈竞争,可编程控制器的价格出现下滑,这使得很多镗床生产厂家开始逐渐使用可编程控制器来代替传统继电器,同时很多车间也根据自己的实际情况,逐步对车间内的T68 镗床进行改造。本文把T68 型卧式镗床的电气控制系统所使用的德国SiemensS7 - 200 型可编程控制器重新设计,通过用Simulater 对程序进行仿真,该设计可以达到T68 型卧式镗床的电气系统要求,在可靠性和稳定性方面也有很大提高。
1、 T68 型卧式镗床电气系统要求分析
如图1 所示,T68 型卧式镗床主要由床身、前立柱、主轴箱、工作台、后立柱、后支撑架等部分组成。其电气控制要求如下:
( 1) T68 镗床主轴的运动和进给运动都用同一台异步马达带动。由于工件的形状和材料千变万化,因此要求T68 主轴的速度要宽泛,所以其马达多使用双速或者三速异步电动机带动的滑移齿轮邮有级速系统。采用双速或三速马达带动,可使其机械变速机构简化。近年来,利用电力电子元件使电机无极变速的方法已经普遍在T68 镗床上使用。
( 2) 卧式镗床的主运动和进给运动都采用机械滑移齿轮变速,为了便于变速后齿轮的啮合,T68 镗床要求有变速冲动。
( 3) 要求主轴马达既能够顺序运转,又能够逆序运转,同时可实现点动、常动,在电机制动上要求使用电气反接方式。
( 4) 为了加快T68 型镗床的进给速度,要求该镗床的各进给部件都各使用一个速度较快的马达带动。

1 T68 型卧式镗床结构图
1 - 床身; 2 - 镗头架; 3 - 前立柱; 4 - 平旋盘; 5 - 镗轴; 6 - 工作台;7 - 后立柱; 8 - 尾架; 9 - 上溜板; 11 - 刀具溜板
2、 PLC 改造
如图2 所示,在对该镗床原有继电器控制系统分析的基础上,我们可以确定输入点数为11,输出点数为7。通过对各可编程控制器点数查阅及性能分析,我们选择德国
Siemens S7 - 200 型可编程控制器。

图2 T68 型卧式镗床电气控制电路
2. 1 确定PLC 的I /O 分配表
根据T68 型卧式镗床的工序及控制要求,确定PLC 的I /O 分配情况,如表1 所示。
表1 T68 卧式镗床用PLC - I /O 分配表

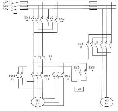
2.2 主电路分析
如图3 所示,M1 为主轴电动机。是一台4 /2 极的双速电动机,绕组接法为△/YY。电动机M2 由接触器KM6、KM7 实现正反转控制,设有短路保护。因快速移动时所需要时间很短,所以M2 实行点动控制,且无需过载保护。电动机M1 由5 只接触器控制,其中KM1、KM2 为电动机正反转控制接触器,KM3 为低速启动接触器,接触器KM4、KM5 用于电动机的高速启动运行。KM3 通电时,将电动机定子绕组接成三角形,电动机为4 极低速运行;KM4、KM5 通电时,将电动机定子绕组接成双星形,电动机为2 极高速运行。主轴电动机正反转停车时,均有电磁铁报闸进行机械制动。FU1 用于电路总的短路保护,FU2 用于电动机M2 的短路保护,FR 用于电动机M1 的长期过载保护。
2. 3 梯形图设计
在原有继电器控制电路的基础上,对T68 型卧式镗床进行PLC 改造,其接线如图4 所示,设计好的梯形图程序部分如图5 所示。

图3 T68 型卧式镗床主电路

图4 接线图

图5 部分梯形图
3 、仿真与分析
将设计好的梯形图载入西门PLC 仿真软件( 如图6所示) ,在仿真软件中把PLC 设置成运行状态,按照T68型卧式镗床的动作顺序在仿真软件中进行操作( 绿色代表灯亮,灯亮代表接通,灯灭代表断开) ,调试程序完全能够满足T68 型卧式镗床的电气控制要求。

图6 仿真结果
4 、结语
本文把T68 型卧式镗床的电气控制系统采用的德国Siemens S7 - 200 型可编程控制器重新设计,通过用Simulater对程序进行仿真,该设计可以达到镗床的控制要求,且改变了原有镗床电气系统体积大、维修点多、稳定性不高等缺点。
如果您有机床行业、企业相关新闻稿件发表,或进行资讯合作,欢迎联系本网编辑部, 邮箱:skjcsc@vip.sina.com




